安全評價機構安全評價工作業績表
評價項目基本情況 | ||||||||
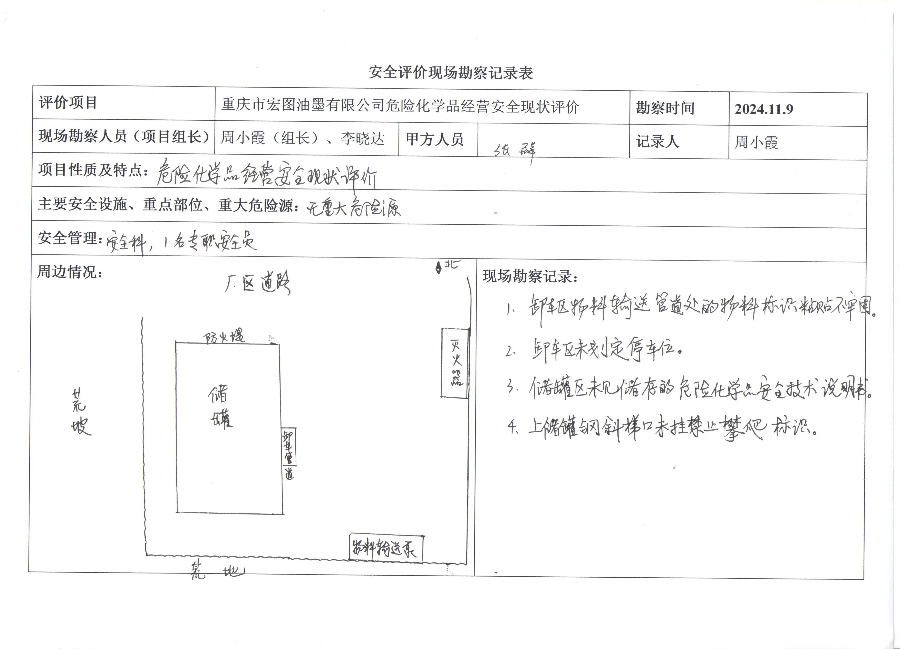
項目名稱 | 重慶市宏圖油墨有限公司危險化學品經營安全現狀評價報告 | 合同編號 | DA(渝)-PJ-20241104 | |||||
合同簽訂時間 | 2024.11.04 | 評價行業 | 危險化學品 | |||||
評價報告提交完成時間 | 2024.12.25 | 評價類別 | 安全現狀評價 | |||||
項目所屬地址 | 重慶市涪陵李渡工業園區聚賢大道33號 | |||||||
評價人員 | ||||||||
項目負責人 | 周小霞 | 評價組長 | 周小霞 | 技術專家 | 饒旭軍 | |||
評價報告編制人 | 周小霞、李曉達 | 評價組成員 | 李曉達、張紅興、陳恭文、陸朝春、馬殿金、崔巍、李臨軍、毛衛旭 | |||||
現場勘查情況 | ||||||||
現場勘查開始時間 | 2024年11月09日09:00 | 現場勘查結束時間 | 2024年11月09日11:00 | |||||
現場勘查人 | 周小霞、李曉達 | 業主陪同人 | 張群 | |||||
現場勘查情況 | 儲罐區、油墨生產車間安全設施和安全管理符合安全生產條件。 | |||||||
報告審核情況 | ||||||||
內審 | 內審意見(R 通過 口 不通過 ) R 是 口 否 | |||||||
過程控制審核 | 內審意見(R 通過 口 不通過 ) R 是 口 否 | |||||||
技術負責人審核 | 內審意見(R 通過 口 不通過 ) R 是 口 否 | |||||||
隱患: (1)卸車區物料輸送管道處的物料標識粘貼不牢固。 (2)現場堆放原料空桶。 (3)儲罐區未見儲存的危險化學品安全技術說明書。 (4)上儲罐鋼斜梯口未掛禁止攀爬標識。 | ||||||||
整改措施建議: (1)加固標識。 (2)清除。 (3)補充危險化學品安全技術說明書。 (4)增設警示標識。 | ||||||||
評價項目評價結論: 重慶市宏圖油墨有限公司符合國家法律、法規、標準、規范的有關要求,具備安全經營條件。 | ||||||||